PIXNET Logo登入

Vic 的部落格

跳到主文

歡迎光臨Vic在痞客邦的小天地

部落格全站分類:職場甘苦

  • 相簿
  • 部落格
  • 留言
  • 名片
  • 4月 12 週五 201909:41
  • ECG Patient Auxiliary Current Test by Arduino+Relay

57161063_2410770028936022_8380593359097430016_n.jpg
醫療產品在生產出貨前都必須做漏電流測試(100%),雖然可以不用做得像安規實驗室那麼地搞剛(費工夫),但是依照客戶需求,有時候真的就會要求的很嚴格(尤其是歐洲及日本客戶),如果遇到CF(Cardio Floating)的產品,這些產品是會直接接觸到身體靠近心臟的位置,所以測試更是麻煩,例如有帶ECG功能的醫療產品,像我們的產品有12Lead(12導程)的ECG產品,這種產品有10條ECG Lead Cable,如果客戶要求要依照IEC60601-1 的Fig.19 PATIENT AUXILIARY CURRENT 測試的話,這種測試就是量測每兩個LEAD之間的漏電流值(<50uA),所以10條線就有45種的排列組合,如果認真的加上NC及SFC的測試條件的話,這排列組合就很恐怖,所以,我們可以簡單的用Arduino及20顆Relay來做一個自動跳接線路來模擬漏電流機上的Hi、Lo及ECG上的RA、LA、RL、LL、V1、V2、V3、V4、V5、V6的切換,有了這個自動切換的模擬線路,再加上我們在漏電流測試機上設定好的NC(正常模式)、SFC(單一失效模式)的條件切換,這就算要測試那麼龐大的排列組合,我們就可以在1~2分鐘之內完成45種排列組合測試,如果用手動測試的話,依照我們的測試人員的測試速度,光測這簡單的45種排列組合就必須測上10分鐘了,所以,是不是很簡單、很方便呢?!
影片是我用8個Relay及Arduino Uno加上LED模擬的示意影片,大家可以從影片中大約了解一下RELAY的做動方式,關於這樣子的迴路會不會影響漏電流測試機上所量測到的值?當然我也有用3 Lead的接線搭配漏電流測試機(EXTECH 7630) 先測試驗證過了,漏電流經過Relay自動跳接後所量測到的值並沒有受到干擾~結果"成功"。
附上簡單的接線示意圖~有興趣的人也可以自己做做喔~
等我整個完成後,再來做一個測試治具的外殼,而根據ISO13485的規定(醫療法規),此測試治具是必須做製程確效(Process Validation),到時候就要加嚴測試是否這個Idea真的可以實現到產線上。路還很長~不過,很有趣!
(繼續閱讀...)
文章標籤

Vic 發表在 痞客邦 留言(0) 人氣(3,678)

  • 個人分類:Medical-醫療
▲top
  • 4月 09 週二 201923:42
  • 你必須接受生命中的好與壞。(You have to take the good with the bad. )

You have to take the good with the bad. 
你必須接受生命中的好與壞。
(繼續閱讀...)
文章標籤

Vic 發表在 痞客邦 留言(0) 人氣(2,546)

  • 個人分類:
▲top
  • 4月 03 週三 201909:07
  • Pre-Burn-in & Post-Burn-in定義

53172788_2373492845997074_856087295348965376_n.jpg
Pre-Burn-in & Post-Burn-in定義~

今天跟公司RA的同事聊到這個(法規部門),我是把燒機測試前後的測試站翻譯成 Pre-Burn-in Test 及 Post-Burn-in Test, 她說她覺得是 Before Burn-in-test 及 After Burn-in Test, ~我找了一些有關於這些用詞的網路資料~這些資料來支撐Pre-Burn-in Test 及 Post-Burn-in Test 的翻譯也應該沒錯~大家可以當成參考,如果有其他見解也歡迎指教。
(繼續閱讀...)
文章標籤

Vic 發表在 痞客邦 留言(0) 人氣(1,029)

  • 個人分類:
▲top
  • 3月 29 週五 201912:53
  • Dyson Airwrap 捲髮器~


Dyson新的捲髮器(Airwrap),馬達是跟吹風機Supersonic 一樣的V9 DDM, 不過,這款捲髮器強調的是它利用造型器所製造出來ˇ的康達效應~感覺又是新的科技(噱頭),不過~真的很佩服,Dyson真的把空氣力學玩得很徹底~
 
(繼續閱讀...)
文章標籤

Vic 發表在 痞客邦 留言(2) 人氣(1,958)

  • 個人分類:
▲top
  • 3月 26 週二 201922:27
  • #當責  #Accountability

As a 旁觀者,大家所看到的通常只是一個結果,而那該負責任的當事人們,通常只會找個替罪羔羊,然後把所有的錯誤歸咎在一個人身上,甚至極盡所能加油添醋,深怕露出自己無能的領導能力。然而,無知的人們通常不明就裡地跟著附和盲從,好像他們從頭到尾都參與其中一樣。
記得原本要選高雄市長的立委劉世芳的競選標語是「只有經得起考驗、才能承擔起責任」,不過,我認為這句話應該要倒過來「只有承擔起責任,才能經得起考驗」,雖然這種人是永遠無法在公司存活,也不能像那些踩著別人屍體往上爬的狗官(豬領導) 升官像"火箭"~但,這才是 #當責 #Accountability。我前主管曾問我,為何要那麼堅持某些事情,幹嘛那麼認真~我只回答他一句話 "這公司總要有人做對的事"
(......然後,我就被做掉了....)
(繼續閱讀...)
文章標籤

Vic 發表在 痞客邦 留言(0) 人氣(370)

  • 個人分類:
▲top
  • 3月 25 週一 201901:50
  • 關於醫療設備的觸身部件(Applied Part) 介紹


關於「觸身部件」或 「應用部件」(Applied Parts, AP)通常應用於與患者有「直接接觸」的醫療設備上。

其主要可以分為三種類型:

• Type CF (Cardiac Floating): 是最嚴謹的分類,與患者的心臟(心血管)連接, 例如: 透析機、心律調節器。
(繼續閱讀...)
文章標籤

Vic 發表在 痞客邦 留言(2) 人氣(9,402)

  • 個人分類:Medical-醫療
▲top
  • 3月 23 週六 201901:51
  • 相對漏電起痕指數 (CTI,Comparative Tracking Index) 與 保證耐漏電起痕指數 (PTI ,Proof tracking index)

CTI叫做 相對漏電起痕指數(英語:Comparative Tracking Index,縮寫為 CTI ),是用來度量絕緣材料的電擊穿(電痕破壞)性能的指數,是針對一般家電類用品或其他高電壓(110V,220V)電器品,所用單面基材板之品質測試項目。
此測試是模擬電路板在使用環境中遭到污染,致使板面線路間距 處出現漏電短路且發熱燒焦的情形。
(繼續閱讀...)
文章標籤

Vic 發表在 痞客邦 留言(0) 人氣(12,486)

  • 個人分類:Medical-醫療
▲top
  • 3月 19 週二 201900:57
  • 什麼是安規漏電流測試中的Class I、Class II設備?


測試漏電流前,必須知道甚麼是 Class I 及 Class II(這跟FDA中的醫療器材等級
Class I、Class II、Class III不同喔!!)

就設備分類的法規而言,這有關於設備需做到的基本絕緣(Basic Insulation,  簡稱BI)、雙重絕緣(Double Insulation, 簡稱DI)或者是加強絕緣(Reinforced Insulation, 簡稱RI),這幾種絕緣的差別就在於空氣間隙(Air Clearance) 及 爬行距離(Creepage)的規範(這也是設計時該注意的,在安規認證中會被檢視),在IEC60601-1中,對於Class I 及  Class II 的規範可以參考 Clause 3.13及3.14,其相關的圖可以見法規中的圖3(Class I)及圖4( Class II).
(繼續閱讀...)
文章標籤

Vic 發表在 痞客邦 留言(0) 人氣(9,630)

  • 個人分類:Medical-醫療
▲top
  • 3月 03 週日 201910:52
  • 安規漏電流測試(Leakage Current Test)的測試機器選用



關於安規漏電流測試(Leakage Current Test)的測試機器選用,除了價格之外,
必須要注意的是其可選用的MD種類 (Measuring Device, 人體阻抗模型的等效電路),
不同的MD選用是對應不同的安規規範,不同的安規規範也適用於不同的產品用途。
漏電流測試在一般家用電子是很重要的安規測試(例如: 吹風機、印表機、手機....),
而在醫療用品中更是重要,因為醫療產品常常用於長時間安裝在患者⾝上,也並⾮
依照患者的意願來安裝,而此類患者也常常是屬於無意識狀態,此時如果設備中有漏電
的狀況發生的話,對患者是很嚴重的傷害。


 


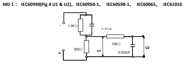
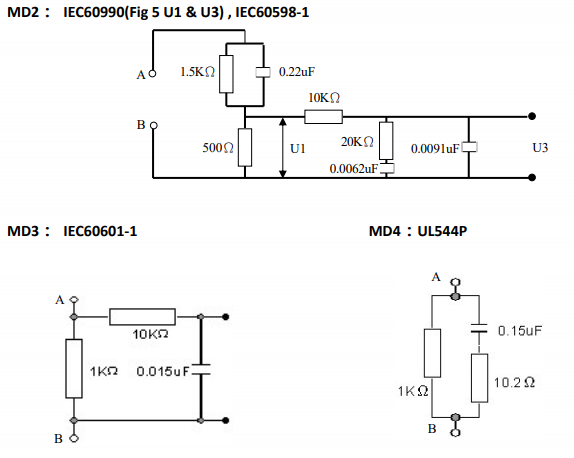
以下是華儀EXTECH 7630中的MD與安規規範及其用途的對應表。


 


(Extech 7630 MD安規規範與用途對應表)


 



 


MD選用如果不正確,則會導致測試的結果出現差異,因為不同MD的人體阻抗設定是不同的,


以下線路圖是Extech 7630中各種測人體阻抗模型的等效電路,洩漏電流的讀值為在量測網路


上的電壓降除以等效的直流電阻值。 電壓錶被接在人體阻抗模型 3、4、5、6 及 7 整個量測網


路的 A、B 兩端,人體阻抗模型 1 是被接在圖上的 U1 或 U2 的兩端,及人體阻抗模型 2 是被接


在圖上的 U1或 U3 的兩端,這是安規執行單位指定使用於這種特珠人體阻抗模型的量測方式。




 



 


例如,我所要測試的產品為醫療用品,醫療產品對應所需要使用的法規為IEC60601-1,


那我在EXTECH 7630中則可以選用MD3。


而在IEC60601-1中的 Cl 8.7.4.4則有對MD的要求規範加以說明,對應此要求規範,我們也


可以看出測試設備中的各種MD設定是依照安規中的規範所設置。


( IEC: 國際標準。國際間制定的基本標準,為全世界各國所採用,


UL,CSA 通常採用 IEC 為基本的新標準。)


 


(IEC60601-1中Fig.12的MD圖示範例)



(IEC60601-1中的MD規範)



 


 



(繼續閱讀...)
文章標籤

Vic 發表在 痞客邦 留言(1) 人氣(6,388)

  • 個人分類:Medical-醫療
▲top
  • 2月 28 週四 201911:46
  • ISO醫療標準(ISO medical standards)





編號
中文名稱


CISPR 11 AMD 2-2006
工業用,科研用以及醫療用(ISM)射頻設備.電磁幹擾特性.限值和測量方法.修改件2


CISPR 11-2003
工業,科研和醫療(ISM)用射頻設備.電磁幹擾特性.限值和測量方法.注:本檔及其單獨的修正件均與合併版本同時


CISPR 28-1997
工業,科學和醫療設備(ISM).國際電信聯盟(ITU)指定頻段內的輻射電平指南


IEC 60336 Corrigendum 1-2006
醫用電氣設備.醫療診斷用X射線管元件.焦點特性.勘誤1


IEC 60336-2005
醫療電氣設備.醫療診斷用X射線管元件.焦點的特性


IEC 60364-7-710-2002
建築物的電氣設施.第7-710部分:特殊設施或場所的要求.醫療場所


IEC 60601-1 Corrigendum 1-2006
醫療電氣設備.第1部分:基本安全和實用性的一般要求.技術勘誤1


IEC 60601-1 Interpretation Sheet 1-2008
醫療電氣設備.第1部分:基本安全和重要性能的一般要求


IEC 60601-1 Interpretation Sheet 2-2009
醫療電氣設備.第1部分:基本安全和基本性能的通用要求.解釋清單2


IEC 60601-1-11-2010
醫療電氣設備.第1-11部分:基本安全和重要性能的一般要求.附屬標準:家庭保健用醫療電氣設備和醫療電氣系統的


IEC 60601-1-4-1996
醫療電氣設備.第1部分:安全的一般要求.第4節:對照標準:程式控制的電氣醫療系統


IEC 60601-1-4-2000
醫療用電氣設備.第1-4部分:一般安全性要求.並行標準:可程式設計電氣醫療系統


IEC 60601-1-8-2006
醫用電氣設備.第1-8部分:基本安全和基本性能通用要求.彙編標準:醫療電氣設備和醫療電氣系統中警報系統的一


IEC 60601-1-9-2007
醫療電氣設備.第1-9部分:基本安全和重要性能的一般要求.附屬標準:環境意識設計的要求


IEC 60601-2-13 Edition 3.1-2009
醫療電氣設備.第2-13部分:麻醉系統安全性的特殊要求


IEC 60601-2-18-2009
醫療電氣設備.第2-18部分:內窺鏡設備基本安全和主要性能的特殊要求


IEC 60601-2-22-2007
醫療電氣設備.第2-22部分:外科、整容、治療和診斷用鐳射設備基本安全和基本性能的特殊要求


IEC 60601-2-28-2010
醫用電氣設備.第2-28部分:醫療診斷用X射線管元件的基本安全和基本性能用特殊要求


IEC 60601-2-29-2008
醫療電氣設備.第2-29部分:放射療法模擬器的基本安全和重要性能的特殊要求


IEC 60601-2-33-2010
醫用電氣設備.第2-33部分:醫療診斷用磁共振設備的基本安全和基本性能用特殊要求


IEC 60601-2-37-2007
醫療電氣設備.第2-37部分:超聲波醫療診斷和監測設備的基本安全和基本性能用特殊要求


IEC 60601-2-41-2009
醫療電氣設備.第2-41部分:診斷用手術照明和燈具的基本安全和基本性能的特殊要求


IEC 60601-2-50-2009
醫療電氣設備.第2-50部分:嬰兒光線療法設備的基本安全及重要性能用特殊要求


IEC 60601-2-52-2009
醫療電氣設備.第2-52部分:醫用病床的基本安全及基本性能的詳細要求


IEC 60601-2-8-1987
醫療電氣設備.第2部分:治療用X射線發生器安全的特殊要求


IEC 60613-2010
醫療診斷用X射線管元件的電氣和負載特性


IEC 60789 Corrigendum 1-2009
醫療電氣設備.放射性核素成象裝置的特性和試驗條件.安格型伽馬射線照相機.勘誤表1


IEC 60806-1984
醫療診斷旋轉陽極X射線管最大對稱輻射場的測定


IEC 61010-2-040-2005
測量、控制和實驗室用電氣設備的安全要求.第2-040部分:處理醫療材料用滅菌器和清洗消毒器的特殊要求


IEC 61010-2-101-2002
測量、控制和實驗室用電氣設備的安全要求.第2-101部分:實驗室診斷(IVD)醫療設備的特殊要求


IEC 61157 Corrigendum 1-2008
醫療診斷超聲波設備的聲輸出報告用標準方法.技術勘誤1


IEC 61157-2007
醫療診斷超聲波設備聲輸出的報告用標準方法


IEC 61223-3-5 Corrigendum 1-2006
醫療成像部門的評價和常規檢驗.第3-5部分:驗收試驗.電腦斷層攝影X射線設備的成像性能.勘誤1


IEC 61326-2-6 Corrigendum 1-2007
測量、控制和實驗室用電氣設備.電磁相容性(EMC)要求.第2-6部分:特殊要求.體外診斷(IVD)醫療設備.技術勘誤1


IEC 61326-2-6-2005
測量、控制和實驗室用電氣設備.電磁相容性要求.第2-6部分:特殊要求.實驗室條件下診斷(IVD)醫療設備


IEC 61558-2-15-1999
電力變壓器、電源裝置及類似設備的安全 第2-15部分:醫療場所供電用隔離變壓器的特殊要求


IEC 61676 Edition 1.1-2009
醫療電氣設備.在放射診斷中X射線管電壓的無傷害性測量用劑量測定儀器


IEC 62127-1 Corrigendum 1-2008
超音波學.水聽器.第1部分:頻率小於40 MHz的醫療超聲波場的測量和特性.技術勘誤1


IEC 62220-1-2-2007
醫療電氣設備.數位X射線成像裝置的特性.第1-2部分:偵探量子效率的測定.X射線測定法用探測器


IEC 62220-1-3-2008
醫療電氣設備.數位X射線成像裝置的特性.第1-3部分:探測量子效率的測定.動態成像用探測器


IEC 62274-2005
醫療電氣設備.放射療法記錄和檢定系統的安全


IEC 62304-2006
醫療器械用軟體.軟體壽命過程


IEC 62353-2007
醫療電氣設備.醫療電氣設備的迴圈試驗和維修後試驗


IEC 62359-2006
超聲波.聲場特性.測定與醫療診斷超聲場相關的熱和機械指數的試驗方法


IEC 62366-2007
醫療設備.醫療設備可用性工程的應用


IEC 62464-1-2007
醫療成象磁共振設備.第1部分:測定實際成象品質參數


IEC 62494-1-2008
醫療電氣設備.數位X射線成像系統的曝光指數.第1部分:通用X射線照相術的定義和要求


IEC 62563-1-2009
醫療電氣設備.醫學圖像顯示系統.第1部分:評價方法


IEC 80601-2-30-2009
醫療電氣設備.第2-30部分:自動非入侵式血壓測量計的基本安全和基本性能用特殊要求


IEC 80601-2-35-2009
醫療電氣設備.第2-35部分:應用於加熱的毛毯,襯墊或床墊及醫用加熱裝置基本安全性及基本性能的詳細規範


IEC 80601-2-58-2008
醫療電氣設備.第2-58部分:眼科手術用晶狀體移除裝置和玻璃體切除裝置基本安全和重要性能的特殊要求


IEC 80601-2-59 Corrigendum 1-2009
醫療電氣設備.第2-59部分:人類發熱檢查用檢查溫度記錄儀的基本安全和基本性能用特殊要求


IEC 80601-2-59-2008
醫療電氣設備.第2-59部分:人類發熱檢查用檢查溫度記錄儀的基本安全和基本性能用特殊要求


IEC/PAS 61910-1-2007
醫療用電氣設備.輻照劑量文件.第1部分:射線照相和射線透視用設備


IEC/TR 60788-2004
醫療電氣設備.定義的術語彙編


IEC/TR 60878-2003
醫療規程中電氣設備的圖形符號


IEC/TR 60930-2008
管理、醫療、護理人員安全使用醫療電氣設備和醫療電氣系統用指南


IEC/TR 61258-2008
醫療電氣設備教材的開發和使用指南


IEC/TR 61948-1-2001
核醫療設備 常規試驗 第1部分:輻射計數系統


IEC/TR 61948-2-2001
核醫療設備 常規試驗 第2部分:閃爍照相機與單光子發射電腦子X射線斷層成像


IEC/TR 61948-3-2005
核醫療設備.常規試驗.第3部分:正電子放射斷層攝影


IEC/TR 61948-4-2006
核醫療設備.常規試驗.第4部分:放射性核素校準器


IEC/TR 62266-2002
醫療電氣設備.放射療法中DICOM的實現指南


IEC/TR 62354-2009
醫療電氣設備的一般試驗規程


IEC/TR 80002-1-2009
醫療設備軟體.第1部分:用於醫療設備軟體的ISO 14971 應用指南


ISO 10079-1-1999
醫療吸引設備 第1部分:電動吸引設備 安全要求


ISO 10079-2-1999
醫療吸引設備 第2部分:手動吸引設備


ISO 10079-3-1999
醫療吸引設備 第3部分:真空或用壓力驅動吸引設備


ISO 10524-4-2008
醫療氣體用壓力調節器.第4部分:低壓調節器


ISO 10993-1 Technical Corrigendum 1-2010
醫療器械的生物評定.第1部分:風險管理過程內的試驗和評定.技術勘誤表1


ISO 10993-1-2009
醫療器械的生物學評價.第1部分:在風險管理過程內的評價與試驗


ISO 10993-10 AMD 1-2006
醫療器械的生物評定.第10部分:刺激與持續型過敏症試驗


ISO 10993-10-2002
醫療器械的生物評定.第10部分:刺激與持續型過敏症試驗


ISO 10993-11-2006
醫療器械的生物學評價.第11部分:身體組織毒性試驗


ISO 10993-12-2007
醫療器械的生物學評估.第12部分:樣品製備和參考材料


ISO 10993-13-2010
醫療器械的生物學評價.第13部分:聚合物醫療器械降解產物的鑒定與定量


ISO 10993-14-2001
醫療器械的生物學評價 第14部分:陶瓷降解產物的識別和量化


ISO 10993-15-2000
醫療器械的生物學評價 第15部分:金屬與合金降解產物的識別與定性


ISO 10993-16-2010
醫療器械的生物學評估.第16部分:降解產物和可濾取物的毒物動力學研究設計


ISO 10993-17-2002
醫療器械的生物評定.第17部分:可浸出物質容許限值的確定


ISO 10993-18-2005
醫療器械的生物學評價.第18部分:材料的化學特性


ISO 10993-2-2006
醫療器械的生物學評價.第2部分:動物保護要求


ISO 10993-3-2003
醫療器械的生物評定.第3部分:遺傳毒性、致癌性和生殖毒性的試驗


ISO 10993-4 AMD 1-2006
醫療器械的生物評定.第4部分:與血液相互作用的選擇試驗


ISO 10993-4-2002
醫療器械的生物評定.第4部分:與血液相互作用的試驗的選擇


ISO 10993-5-2009
醫療器械的生物學評價.第5部分:體外細胞毒性試驗


ISO 10993-7 Technical Corrigendum 1-2009
醫療器械的生物學評價.第7部分:環氧乙烷滅菌殘留物.勘誤表1


ISO 10993-7-2008
醫療器械的生物學評價 第7部分:環氧乙烷滅菌殘留量


ISO 11073-90101-2008
健康資訊學.床旁監護用醫療裝置通信.第90101部分:分析儀器.床旁監護試驗


ISO 11135-1-2007
衛生保健品滅菌.環氧乙烷.第1部分:醫療設備消毒過程的制定、確認和常規控制的要求


ISO 11137-1-2006
保健產品的滅菌.輻射.第1部分:醫療器件消毒過程的制定、確認、和常規控制的要求


ISO 11138-1-2006
醫療保健產品滅菌.生物指示物.第1部分:一般要求


ISO 11138-2-2006
醫療保健產品滅菌.生物指示物.第2部分:環氧乙烷滅菌同生物指示劑


ISO 11138-3-2006
醫療保健產品滅菌.生物指示物.第3部分:濕熱滅菌用生物指示劑


ISO 11138-4-2006
醫療保健產品滅菌.生物指示器.第4部分:幹熱滅菌處理用生物指示器


ISO 11138-5-2006
醫療保健產品滅菌.生物指示器.第5部分:低溫蒸汽和甲醛溶液滅菌處理用生物指示器


ISO 11737-1 Technical Corrigendum 1-2007
醫療設備滅菌.微生物法.第1部分:產品上微生物群落的測定.技術勘誤1


ISO 11737-1-2006
醫療器械滅菌.微生物學方法.第1部分:產品上微生物群落的測定


ISO 11737-2-2009
醫療器械滅菌.微生物學方法.第2部分:滅菌過程的定義、有效性和維護中進行的無菌試驗


ISO 12894-2001
熱環境的人類工效學 對暴露在極熱或極冷環境的人的醫療監督


ISO 13408-1-2008
醫療保健產品的無菌加工.第1部分:一般要求


ISO 13408-2-2003
醫療保健產品的無菌加工.第2部分:過濾


ISO 13485 Technical Corrigendum 1-2009
醫療器械.品質管制體系.管理用途的要求,技術勘誤表1


ISO 13485-2003
醫療器械.品質管制系統.管理目標的要求


ISO 13606-1-2008
醫療資訊學.電子健康記錄資訊.第1部分:參考模型


ISO 13606-2-2008
醫療資訊學.電子健康記錄資訊.第2部分:原型交換規範


ISO 13606-3-2009
醫療資訊學.電子健康記錄通信.第3部分:參考原型和術語清單


ISO 13606-5-2010
醫療資訊學.電子健康記錄通信.第5部分:介面規範


ISO 14155-1-2003
人用醫療設備的臨床調查.第1部分:一般要求


ISO 14155-2-2003
醫學受驗者用醫療器械的臨床調查.第2部分:臨床調查設備


ISO 14160-1998
使用液體化學滅菌劑對包括動物源材料在內的一次性使用醫療器具進行滅菌的確認和常規控制


ISO 14161-2009
醫療保健產品滅菌.生物指示物選擇,使用及檢驗結果判斷指南


ISO 14708-1-2000
外科植入物.有源可植入醫療裝置.第1部分:安全、標記及製造商提供資訊的一般要求


ISO 14708-2-2005
外科植入物.有源可植入醫療裝置.第2部分:心臟起搏器


ISO 14708-4-2008
外科植入物.有源可植入醫療裝置.第4部分:可植入輸注管


ISO 14708-5-2010
外科植入物.有源可植入醫療裝置.第5部分:迴圈支撐裝置


ISO 14708-6-2010
外科植入物.有源可植入醫療裝置.第6部分:用於治療快速性心律失常(包括可植入去纖顫器)有源植入式醫療器件的


ISO 14937-2009
保健產品滅菌.醫療器械用消毒劑的特性和消毒方法的研發,驗證及常規控制的一般要求


ISO 14971-2007
醫療裝置.醫療裝置風險管理的應用


ISO 15002-2008
醫療氣體管道系統連接到終端裝置用流量計測量裝置


ISO 15193-2009
體外診斷醫療器械.生物起源樣品中數量的測量.內容要求和參考測量法的說明


ISO 15194-2009
體外診斷醫療設備.生物原始試樣數量測量.認證參考材料和證明檔的內容要求


ISO 15198-2004
臨床實驗室藥物.體外診斷醫療設備.由製造商證實的使用者品質控制程式


ISO 15223 AMD 1-2002
醫療裝置.與醫療裝置標籤、加標籤和提供的資訊一起使用的符號.修改件1


ISO 15223 AMD 2-2004
醫療器械.用於醫療器械標籤、作標記和提供資訊的符號.修改件2


ISO 15223-1 AMD 1-2008
醫療器械.用於醫療器械標籤、標記和提供資訊的符號.第1部分:一般要求.修改件1


ISO 15223-1-2007
醫療器械.用於醫療器械標籤、作標記和提供資訊的符號.第1部分:一般要求


ISO 15223-2-2010
醫療器械.用於醫療器械標籤、作標記和提供資訊的符號.第2部分:符號的制定、篩選和批准


ISO 15225-2010
醫療設備.品質管制.醫療設備命名法資料結構


ISO 16428-2005
外科植入物.可植入物質和醫療器械的靜態和動態腐蝕試驗用試驗溶液和環境條件


ISO 16429-2004
外科植入物.金屬可植入材料和長期醫療器械的評估腐蝕性能用斷路電位元的測量


ISO 17090-1-2008
醫療資訊學.公開金鑰基礎設施.第1部分:數位憑證業務綜述


ISO 17090-3-2008
醫療資訊學.公開金鑰基礎設施.第3部分:認證管理機構的政策管理


ISO 17511-2003
體外診斷醫療裝置.生物試樣的定量測量.校準儀和控制材料賦值的計量溯源性


ISO 17593-2007
臨床實驗室測試和體外醫療裝置.口服抗凝血劑治療自測用體外監測系統的要求


ISO 17664-2004
醫療器械的消毒.生產商提供的可重複消毒醫療器械的處理資訊


ISO 17665-1-2006
保健產品的滅菌.濕熱.第1部分:醫療機械消毒過程的制定、確認和常規控制的要求


ISO 18104-2003
醫療資訊.護理用參考術語模式的綜合


ISO 18113-1-2009
體外診斷醫療器械.製造商提供的資訊(標籤).第1部分:術語、定義和一般要求


ISO 18113-2-2009
體外診斷醫療器械.製造商提供的資訊(標籤).第2部分:專業用途的體外診斷試劑


ISO 18113-3-2009
體外診斷醫療器械.製造商提供的資訊(標籤).第3部分:專業用體外診斷儀器


ISO 18113-4-2009
體外診斷醫療器械.製造商提供的資訊(標籤).第4部分:自測用體外診斷劑


ISO 18113-5-2009
體外診斷醫療器械.製造商提供的資訊(標籤).第5部分:自測用體外診斷儀器


ISO 18153-2003
體外診斷醫療裝置.生物樣品的定量測量.校準儀和控制材料所賦酶的催化濃度值的計量溯源性


ISO 18779-2005
儲存氧氣和氧氣混合物的醫療設備.特殊要求


ISO 18812-2003
醫療資訊學.醫用分析儀與實驗室資訊系統的介面.使用說明檔


ISO 19001-2002
實驗室診斷醫療設備.生物著色用實驗室診斷試劑生產廠商提供的資訊


ISO 19054-2005
醫療設備輔助用軌道系統


ISO 21171-2006
醫療專用手套.可移動表面粉末的測定


ISO 21549-5-2008
醫療資訊學.病人醫療卡資料.第5部分:識別資料


ISO 21549-6-2008
醫療資訊學.病人醫療卡資料.第6部分:管理資料


ISO 21647 Technical Corrigendum 1-2005
醫療電氣設備.呼吸氣監測器的基本安全和主要性能的特殊要求.技術勘誤1


ISO 21647-2004
醫療電氣設備.呼吸氣監測器的基本安全和主要性能的特殊要求


ISO 21969-2009
與醫療氣體系統一起使用的高壓柔性連接


ISO 22442-1-2007
醫療設備用動物組織及其衍生物.第1部分:風險管理的應用


ISO 22442-2-2007
醫療設備用動物組織及其衍生物.第2部分:來源控制、採集和處理


ISO 22442-3-2007
醫療設備用動物組織及其衍生物.第3部分:病毒和傳染性海綿狀腦病(TSE)試劑的銷毀和/或失效的確認


ISO 22609-2004
傳染試劑防護服.醫療面罩.防人造血滲透的試驗方法(固定容積,水準噴射)


ISO 25424-2009
醫療器械的消毒.低溫蒸汽和甲醛.醫療器械消毒工序的制訂,認證和日常控制要求


ISO 27186-2010
有源可植入醫療器械.可植入心節律管理裝置用四極連接器系統.尺寸和試驗要求


ISO 28620-2010
醫療設備.非電驅動的可擕式輸液設備


ISO 594-1-1986
注射器、針頭及其他醫療器械為6%(魯爾)的錐形接頭 第1部分:一般要求


ISO 594-2-1998
注射器、針頭及其他醫療器械為6%(魯爾)的錐形接頭 第2部分:鎖緊接頭


ISO 7396-1 AMD 1-2010
醫用氣體管道系統.第1部分:壓縮的醫用氣體和真空用管道系統.修改件1:裝配於操作者可調部件醫療補給裝置和連


ISO 7405-2008
牙科學.牙科醫療器械生物相容性評估


ISO 80601-2-56-2009
醫療電氣設備.第2-56部分:人體體溫測量用體溫計的基本安全和主要性能的特殊要求


ISO 8600-2-2002
光學和光學儀器.醫療內窺鏡和內窺鏡附件.第2部分:硬支氣管內窺鏡的特殊要求


ISO 9626 AMD 1-2001
供製造醫療器械用的不銹鋼針管 修改1


ISO 9626-1991
供製造醫療器械用的不銹鋼針管


ISO/HL7 27931-2009
資料交換標準.HL7標準2.5版本.在醫療環境下電子資料交換的應用協定


ISO/IEC Guide 63-1999
醫療器械安全方面的開發並納入國際標準指南


ISO/IEEE 11073-10101-2004
健康資訊學.床旁檢測醫療設備通信.第10101部分:術語


ISO/IEEE 11073-10201-2004
健康資訊學.床旁檢測醫療設備通信.第10201部分:域資訊模式


ISO/IEEE 11073-10471-2010
保健資訊學.床邊體外診斷(POC)醫療設備通信.第10471部分:設備規範.獨立的現場動態指示器集線器


ISO/IEEE 11073-20101-2004
健康資訊學.床旁檢測醫療設備通信.第20101部分:應用輪廓.基本標準


ISO/IEEE 11073-30200-2004
健康資訊學.床旁檢測醫療設備通信.第30200部分:傳輸輪廓.電纜連線


ISO/IEEE 11073-30300-2004
健康資訊學.床旁檢測醫療設備通信.第30300部分:傳輸輪廓.紅外無線


ISO/TR 11633-1-2009
衛生資訊學.醫療設備及醫療資訊系統的遠端維護用資訊安全管理.第1部分:要求和風險分析


ISO/TR 13154-2009
醫療電氣設備.篩選溫度計用鑒定發熱人群用部署、實施和操作指南


ISO/TR 14969-2004
醫療裝置.品質管制系統.ISO 13485-2003應用指南


ISO/TR 16056-1-2004
醫療資訊學.遠端醫療系統和網路的交替使用性.第1部分:介紹和定義


ISO/TR 16056-2-2004
醫療資訊學.遠端醫療系統和網路的交替使用性.第2部分:即時系統


ISO/TR 16142-2006
醫療器械.醫療器械安全和性能公認基本原則的配套標準選用指南


ISO/TR 21089-2004
醫療資訊學.可信端到端資訊流


ISO/TR 21730-2007
醫療資訊.保健設施中移動無線通訊和計算技術應用.推薦關於醫療設備電磁相容性應用(被動電磁相容性幹擾管理)


ISO/TR 25257-2009
健康資訊學.醫療產品國際代碼系統的業務要求


ISO/TS 10993-19-2006
醫療設備的生物評定.第19部分:材料的物理化學、形態學和地形學特點


ISO/TS 10993-20-2006
醫療設備的生物評定.第20部分:醫療設備的免疫毒物學試驗的原則和方法


ISO/TS 11073-92001-2007
健康資訊學.醫療波形格式.第92001部分:編碼規則


ISO/TS 16058-2004
醫療資訊學.遠端學習系統的交替使用性


ISO/TS 18308-2004
醫療資訊學.電子病歷體系結構要求


ISO/TS 19218-2005
醫療設備.不良反應的類型和起因的編碼體系

(繼續閱讀...)
文章標籤

Vic 發表在 痞客邦 留言(0) 人氣(1,867)

  • 個人分類:Medical-醫療
▲top
1

個人資訊

Vic
暱稱:
Vic
分類:
職場甘苦
好友:
累積中
地區:

熱門文章

  • (12,486)相對漏電起痕指數 (CTI,Comparative Tracking Index) 與 保證耐漏電起痕指數 (PTI ,Proof tracking index)
  • (9,630)什麼是安規漏電流測試中的Class I、Class II設備?
  • (9,402)關於醫療設備的觸身部件(Applied Part) 介紹
  • (6,388)安規漏電流測試(Leakage Current Test)的測試機器選用
  • (3,678)ECG Patient Auxiliary Current Test by Arduino+Relay
  • (2,546)你必須接受生命中的好與壞。(You have to take the good with the bad. )
  • (1,029)Pre-Burn-in & Post-Burn-in定義
  • (370)#當責  #Accountability

文章分類

  • Medical-醫療 (6)
  • 未分類文章 (1)

動態訂閱

文章精選

文章搜尋

留言板

最新文章

  • ECG Patient Auxiliary Current Test by Arduino+Relay
  • 你必須接受生命中的好與壞。(You have to take the good with the bad. )
  • Pre-Burn-in & Post-Burn-in定義
  • Dyson Airwrap 捲髮器~
  • #當責  #Accountability
  • 關於醫療設備的觸身部件(Applied Part) 介紹
  • 相對漏電起痕指數 (CTI,Comparative Tracking Index) 與 保證耐漏電起痕指數 (PTI ,Proof tracking index)
  • 什麼是安規漏電流測試中的Class I、Class II設備?
  • 安規漏電流測試(Leakage Current Test)的測試機器選用
  • ISO醫療標準(ISO medical standards)

參觀人氣

  • 本日人氣:
  • 累積人氣:

最新留言

  • [25/09/16] POI 於文章「關於醫療設備的觸身部件(Applied ...」留言:
    查看IEC 60601-1文件定義漏電流跟大大提到的不同, ...
  • [20/05/19] Jason Hung 於文章「安規漏電流測試(Leakage Curr...」發表了一則私密留言
  • [20/02/17] Nana 於文章「Dyson Airwrap 捲髮器~...」留言:
    前陣子使用代購幫的服務買了捲髮氣,覺得好用,代購幫也方便,推...
  • [19/09/19] TOMMY 於文章「Dyson Airwrap 捲髮器~...」留言:
    網路上這款捲髮器聽說很厲害,我女朋友之前也一直說想買,於是我...
  • [19/09/19]  於文章「15281447452...」留言:
    ...
  • [19/03/25] Medosa 於文章「關於醫療設備的觸身部件(Applied ...」留言:
    感謝分享~內容很詳細!...

誰來我家